Van bướm điện từ
Đánh giá 2 lượt đánh giá
10.000 VND
Van bướm điện từ hay còn được gọi là van bướm điện là dạng van bướm có cánh van kết nối với bộ truyền động để mở hoặc đóng van bướm. Thiết kế van bướm cho phép các đặc tính về độ kín tốt, độ bền và độ tin cậy cho ứng dụng của bạn. Thiết bị truyền động điện dễ dàng cài đặt và nối dây vào một hệ thống hiện có. Có nhiều chất liệu và kích cỡ khác nhau của van bướm điều khiển bằng điện để cho phép bạn tìm ra cái phù hợp cho ứng dụng của mình.
Van bướm là dạng van hoạt động tương tự như van bi. Van bướm thường được ưa chuộng vì có giá thấp hơn các thiết kế van khác, và có trọng lượng nhẹ hơn nên chúng cần ít chi phí hơn. Đĩa, cánh van được định vị ở trục của van, trục van được truyền qua đĩa đến một thiết bị truyền động ở bên ngoài van. Xoay bộ truyền động quay đĩa song song hoặc vuông góc với dòng chảy tạo cơ chế đóng mở van.
Van bướm điện từ hay còn được gọi là van bướm điện là dạng van bướm có cánh van kết nối với bộ truyền động để mở hoặc đóng van bướm. Thiết kế van bướm cho phép các đặc tính về độ kín tốt, độ bền và độ tin cậy cho ứng dụng của bạn. Thiết bị truyền động điện dễ dàng cài đặt và nối dây vào một hệ thống hiện có. Có nhiều chất liệu và kích cỡ khác nhau của van bướm điều khiển bằng điện để cho phép bạn tìm ra cái phù hợp cho ứng dụng của mình.
Van bướm điện từ có hai dạng chính là ON/OFF và tuyến tính có các kích thước từ DN40, DN50, DN65, DN80, DN100, DN125, DN150, DN200, DN250, DN300, DN350, DN400, DN450, DN500, DN600, DN700, DN800, DN900, DN1000...
Chất liệu van toàn thân inox, thân gang cánh inox, thân gang cánh gang, nhựa PVC, UPVC, CPVC vì vậy van có thể chịu được hầu hết môi trường sử dụng.
Hiện nay công ty chúng tôi đã nhập khẩu trực tiếp các dòng van bướm điều khiển điện từ Hàn Quốc, Đài Loan, Malaysia, Nhật, Đức, Thổ Nhĩ Kỳ... Với giá thành rẻ, chất lượng cao, chứng chỉ cũng như kiểm định an toàn đầy đủ.









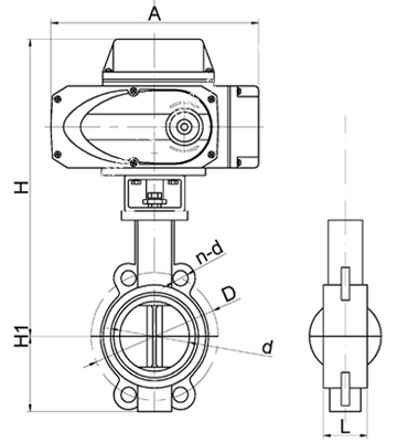
| DN | A | H | H1 | d | D | n-d | L |
| 50 | 157 | 340 | 80 | 52.6 | 125 | 4-16 | 42 |
| 65 | 157 | 354 | 89 | 64.4 | 145 | 4-16 | 45 |
| 80 | 157 | 360 | 95 | 78.9 | 160 | 8-16 | 45 |
| 100 | 208 | 410 | 114 | 104.1 | 180 | 8-16 | 52 |
| 125 | 208 | 423 | 127 | 123.4 | 210 | 8-16 | 55 |
| 150 | 208 | 435 | 139 | 155.9 | 240 | 8-20 | 55 |
| 200 | 256 | 485 | 175 | 202.8 | 295 | 8-20/12-20 | 60 |
| 250 | 256 | 518 | 203 | 250.8 | 350/355 | 12-20/12-24 | 66 |
| 300 | 256 | 562 | 242 | 301.9 | 400/410 | 12-20/12-24 | 76 |
| 350 | 280 | 622 | 267 | 334 | 460/470 | 16-20/16-24 | 76 |
| 400 | 280 | 644 | 301 | 390 | 515/525 | 16-24/16-27 | 86 |
| 450 | 280 | 686 | 381 | 441 | 565/585 | 20-24/20-27 | 105 |
| 500 | 387 | 492 | 620/650 | 20-24/20-30 | 130 | ||
| 600 | 457 | 593 | 725/770 | 20-27/20-33 | 151 |
Người gửi / điện thoại
Địa chỉ: Số 1A38 Đường Tây Mỗ - Phường Tây Mỗ - Quận Nam Từ Liêm, T.P Hà Nội, Việt Nam
VPGD: Lô 7, Ô dịch vụ 10, Khu đô thị Tây Nam Linh Đàm, Phường Hoàng Liệt, Quận Hoàng Mai, Hà Nội
Mã số thuế: 0108628671
Hotline: 0981.625.643 - Mr Quân
STK: 19133913119011 tại Ngân Hàng TMCP Kỹ Thương Việt Nam chi nhánh Hà Nội
STK: 829244888 tại ngân hàng Vp bank - Chi nhánh Thăng Long - PGD Tây Hà Nội
Email hỗ trợ: kd6.htvietnam.com
Chuyên cung cấp Van bướm - Van cổng - Van điện từ - Van điều khiển khí nén- Van điều khiển điện - Đồng hồ đo lưu lượng

